Blind rivets, also known as pop rivets, are essential fasteners used in applications where access to only one side of the material is possible. The DIN 7337 standard defines the specifications for blind rivets, including dimensions, materials, and mechanical properties. These rivets are commonly used in the automotive, aerospace, construction, and manufacturing industries due to their ease of installation and strong, reliable fastening.

🔹 Key Features of DIN 7337 Blind Rivets
✔ Single-Sided Installation: Suitable for applications where only one side is accessible.
✔ Material Options: Typically made from aluminum, steel, stainless steel, or copper.
✔ High Strength & Durability: Provides secure fastening without the need for welding or threading.
✔ Different Head Styles: Available in dome, countersunk, and large flange heads.
✔ Versatile Applications: Used in sheet metal fabrication, automotive bodywork, and industrial assembly.
🔹 Material & Mechanical Properties
DIN 7337 blind rivets are available in various material combinations, such as:
- Aluminum rivet with aluminum mandrel – Lightweight and corrosion-resistant.
- Aluminum rivet with steel mandrel – Offers a balance between strength and weight.
- Steel rivet with steel mandrel – High strength for demanding applications.
- Stainless steel rivet with stainless steel mandrel – Superior corrosion resistance for harsh environments.
- Copper rivet with brass mandrel – Excellent conductivity and corrosion resistance.
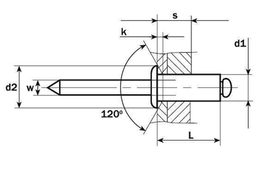
🔹 DIN 7337 Blind Rivet Dimensions (mm)
| Nominal Diameter (d) | Head Diameter (dk) | Head Height (k) | Mandrel Diameter (dm) | Grip Range (t) |
|---|---|---|---|---|
| 2.4 | 5.0 | 0.9 | 1.55 | 0.5 – 3.0 |
| 3.0 | 6.0 | 1.1 | 1.95 | 0.5 – 4.0 |
| 3.2 | 6.5 | 1.2 | 2.05 | 0.5 – 6.0 |
| 4.0 | 8.0 | 1.4 | 2.55 | 1.0 – 8.0 |
| 4.8 | 9.5 | 1.6 | 3.05 | 1.5 – 9.5 |
| 5.0 | 10.0 | 1.7 | 3.25 | 2.0 – 10.0 |
| 6.0 | 12.0 | 2.2 | 3.90 | 3.0 – 12.0 |

📌 Note: The values in the table are approximate and may vary depending on manufacturer specifications. Always verify with official standard documentation.

🔹 Applications of DIN 7337 Blind Rivets
DIN 7337 blind rivets are widely used in various industries, including:
✅ Automotive & Aerospace: Fastening panels, frames, and metal structures.
✅ Construction & Roofing: Securing metal sheets, cladding, and facades.
✅ Electronics & Electrical Enclosures: Assembling lightweight enclosures and casings.
✅ Industrial Equipment: Machinery, ventilation systems, and mechanical assemblies.
📌 Important Notice on Standards Validity
This information is for reference purposes only. Users should consult official sources and updated standards to ensure compliance with current regulations. The validity of standards may change over time, so it is recommended to verify them through recognized engineering and standardization organizations (ISO, DIN, ANSI, etc.).
📌 Check with relevant standardization bodies in your region to confirm whether a specific standard is still valid and applicable. Regulations and industry requirements may vary based on region and application.